Bleed Ring
ANSI B16.50 Bleed Rings, Raised Face Bleed Rings, Industrial Bleed Rings, Global Supplier of Bleed Rings, Stockist of Stainless Steel Bleed Rings, Carbon Steel Bleed Ring, ASME B31.3 Bleed Rings, Drip Rings Dealer in India.
Manufacturer of Bleed Rings, ASTM A182 SS Bleed Rings, ASME B16.5 Bleed Ring, Nickel Alloy 200 Bleed Rings, Bleed Ring Dimensions, Alloy Steel Bleed Rings, ASME B16.48 Series A and B Bleed Rings, MSS SP-44 Vent Rings in Mumbai, India.

Shankh Metals And Alloys Is An ISO: 9001:2008 Certified Company.We Manufacturer Our Products By High Grade Material To Provide Good Quality Bleed Ring To Our Domestic And Overseas Customers. Flanges accomplish a Lot of admiration by our clients owing to its high strength, dimensional correctness, high tension power, corrosion resistant and consistency products like Stainless Steel Bleed Ring, Carbon Steel Bleed Ring & Alloy Steel Bleed Ring. These products are used in various commercial, industrial and automobile industries. We manufacture ANSI B16.11 Forged Bleed Ring using high grade of raw material by implementing most ultra modern technology. These products are clients can avail from us at various sizes, shapes and design as per the requirements.We are one of the top Manufacturers and Suppliers of ASME B16.11 Bleed Ring in Mumbai, India.
Stockholder Of Flushing Ring, Inconel Bleed Ring, Best Price of Duplex Steel Bleed Rings, Copper Nickel Bleed Rings Exporter, Hastelloy C22 Bleed Rings, Class 300, 600, 900, 1500 Bleed Ring Wholesaler, Alloy 20 Bleed Ring Traders in India.
Table Of Content
Bleed Ring Manufacturer & Supplier In Mumbai
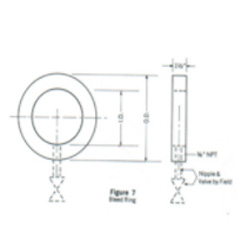
ANSI 16.5 Bleed Ring Dimensions
Standard Specification For Bleed Ring
Dimensions : ANSI B16.5, ANSI B16.47 Series A & B, MSS SP44, ASA, API-605, AWWA, Custom Drawings
Size : 1/2" (15 NB) to 48" (1200NB)
Class : 150 LBS, 300 LBS, 600 LBS, 900 LBS, 1500 LBS, 2500 LBS, DIN Standard ND-6,10, 16, 25, 40 Etc.
DIN : DIN2527, DIN2566, DIN2573, DIN2576, DIN2641, DIN2642, DIN2655, DIN2656, DIN2627, DIN2628, DIN2629, DIN 2631, DIN2632, DIN2633, DIN2634, DIN2635, DIN2636,DIN2637, DIN2638, DIN2673
BS : BS4504 , BS4504, BS1560, BS10
Flange Type : Bleed Rings
Material & Grades of Bleed Ring :
Stainless Steel Bleed Ring :
ASTM A 182, A 240 F 304, 304L, 304H, 316, 316L, 316Ti, 310, 310S, 321, 321H, 317, 347, 347H, 904L
Duplex & Super Duplex Steel Bleed Ring :
ASTM / ASME A/SA 182 F 44, F 45, F51, F 53, F 55, F 60, F 61
Carbon Steel Bleed Ring :
ASTM / ASME A/SA 105 ASTM / ASME A 350 , ASTM A 181 LF 2 / A516 Gr.70 A36, A694 F42, F46, F52, F60, F65, F706
Low Temperature Carbon Steel Bleed Ring : ASTM A350, LF2, LF3
Alloy Steel Bleed Ring :
ASTM / ASME A/SA 182 & A 387 F1, F5, F9, F11, F12, F22, F91
Copper Alloy Steel Bleed Ring : ASTM SB 61 , SB62 , SB151 , SB152 UNS No. C 70600 (Cu-Ni 90/10), C 71500 (Cu-Ni 70/30), UNS No. C 10100, 10200, 10300, 10800, 12000, 12200
Nickel Alloy Bleed Ring :
ASTM SB564, SB160, SB472, SB162 Nickel 200 (UNS No. N02200), Nickel 201 (UNS No. N02201), Monel 400 (UNS No. N04400), Monel 500 (UNS No. N05500), Inconel 800 (UNS No. N08800), Inconel 825 (UNS No. N08825), Inconel 600 (UNS No. N06600), Inconel 625 (UNS No. N06625), Inconel 601 (UNS No. N06601), Hastelloy C 276 (UNS No. N10276), Alloy 20 (UNS No. N08020)
ASME B16.5 Bleed Ring Available Types
| Bleed Ring | Bleed Ring |
| ANSI B16.5 Bleed Ring | Bleed Ring Dimensions |
| ASME B16.5 Bleed Ring | ANSI B16.5 Class 150 Bleed Ring |
| Stainless Steel Bleed Ring Suppliers | SS Bleed Ring |
| Bleed Ring Dealer | ASME B16.47 Series A and B Bleed Ring Exporter |
| ANSI B16.5 class 150 Flange olet Stockholder | ANSI 150 Bleed Ring Distributors |
| Carbon Steel Bleed Ring | High Quality Bleed Ring Manufacturer |
| ASTM A182 Stainless Steel Bleed Ring | Duplex Steel Bleed Ring |
| Super Duplex Steel Bleed Ring | Copper Nickel Bleed Ring |
| High Nickel Alloy Bleed Ring | Hastelloy Flat Faced Bleed Ring Stockist |
| Titanium ASME B16.47 Series A and B Bleed Ring | Inconel Bleed Ring |
ANSI B16.5 Bleed Ring Application
- Industrial Boilers
- Power Plants
- Nuclear Plants
- Oil & Gas Industry
- Refineries
- Ship Building
- Heat Exchangers
- Condensers
- Paper & Pulp
- Marine Applications
- Nuclear Power
- Fossil Fuel Power Plants
| Best Offer on Below Stock | ||||
|
|
|
||
