Lap Joint Flanges
ASME B16.5 Lap Joint Flanges, Stockist of Stainless Steel Lap Joint Flanges, Lapped Joint Weld Flange, Global Supplier of Flat Faced Lap Joint Flanges, Lap Joint Flanges, ANSI B16.5 Class 150 Lap Joint Flanges, Lap Joint Flanges Dealer in India, ANSI B16.5 Lapped Joint Flanges.
Nickel Alloy 200 Lap Joint Flange, Carbon Steel Lap Joint Flange, Lap Joint Flange Dimensions, Alloy Steel Lapped Joint Plate Flanges, ASME B16.47 Series A and B Lap Joint Flanges, Manufacturer of Lap Joint Forged Flanges, ASTM A182 SS Lap Joint Flange, MSS SP-44 Lap Joint Flanges in Mumbai, India.

Shankh Metals And Alloys Is An ISO: 9001:2008 Certified Company.We Manufacturer Our Products By High Grade Material To Provide Good Quality Lap Joint Flanges To Our Domestic And Overseas Customers. Flanges accomplish a Lot of admiration by our clients owing to its high strength, dimensional correctness, high tension power, corrosion resistant and consistency products like Stainless Steel Lap Joint Flanges, Carbon Steel Lap Joint Flanges & Alloy Steel Lap Joint Flanges. These products are used in various commercial, industrial and automobile industries. We manufacture ANSI B16.11 Forged Lap Joint Flanges using high grade of raw material by implementing most ultra modern technology. These products are clients can avail from us at various sizes, shapes and design as per the requirements.We are one of the top Manufacturers and Suppliers of ASME B16.11 Lap Joint Flanges in Mumbai, India.
Copper Nickel Lap Joint Flanges Exporter, Inconel Lap Joint Flanges, Stockholder Of DIN86029 PN10 Lap Joint Flange, Best Price of Duplex Steel Lap Joint Flanges, Hastelloy C22 Lapped Joint Flange, Class 300, 600, 900, 1500 Lap Joint Flanges Wholesaler, Alloy 20 Lap Joint Flanges Traders in India.
Table Of Content
Lap Joint Flanges Manufacturer & Supplier In Mumbai
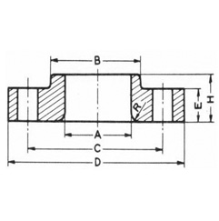
ANSI 16.5 Lap Joint Flanges Dimensions
| Nominal Bore | Dia. (D) |
Thick. (E) |
Dia. (B) |
Dia. (A) |
Height (H) |
Nbr | Holes | Dia. (C) |
| 1/2" | 90 | 11.2 | 30 | 22.9 | 16 | 4 | 15.87 | 60.3 |
| 3/4" | 100 | 12.7 | 38 | 28.2 | 16 | 4 | 15.87 | 69.9 |
| 1" | 110 | 14.3 | 49 | 34.9 | 17 | 4 | 15.87 | 79.4 |
| 1 1/4" | 115 | 15.9 | 59 | 43.7 | 21 | 4 | 15.87 | 88.9 |
| 1 1/2" | 125 | 17.5 | 65 | 50.0 | 22 | 4 | 15.87 | 98.4 |
| 2" | 150 | 20.7 | 78 | 62.5 | 25 | 4 | 19.05 | 120.7 |
| 2 1/2" | 180 | 22.3 | 90 | 75.4 | 29 | 4 | 19.05 | 139.7 |
| 3" | 190 | 23.9 | 108 | 91.4 | 30 | 4 | 19.05 | 152.4 |
| 3 1/2" | 215 | 23.9 | 122 | 104.1 | 32 | 8 | 19.05 | 177.8 |
| 4" | 230 | 23.9 | 135 | 116.8 | 33 | 8 | 19.05 | 190.5 |
| 5" | 255 | 23.9 | 164 | 144.4 | 36 | 8 | 22.22 | 215.9 |
| 6" | 280 | 25.4 | 192 | 171.4 | 40 | 8 | 22.22 | 241.3 |
| 8" | 345 | 28.6 | 246 | 222.2 | 44 | 8 | 22.22 | 298.5 |
| 10" | 405 | 30.2 | 305 | 277.4 | 49 | 12 | 25.40 | 362.0 |
| 12" | 485 | 31.8 | 365 | 328.2 | 56 | 12 | 25.40 | 431.8 |
| 14" | 535 | 35.0 | 400 | 360.2 | 79 | 12 | 28.57 | 476.3 |
| 16" | 595 | 36.6 | 457 | 411.2 | 87 | 16 | 28.57 | 539.8 |
| 18" | 635 | 39.7 | 505 | 462.3 | 97 | 16 | 31.75 | 577.9 |
| 20" | 700 | 42.9 | 559 | 514.4 | 103 | 20 | 31.75 | 635.0 |
| 24" | 815 | 47.7 | 663 | 616.0 | 111 | 20 | 34.92 | 749.3 |
The dimensions are in millimeters
Source : ASME B16.5
| Nominal Bore | Dia. (D) |
Thick. (E) |
Dia. (B) |
Dia. (A) |
Height (H) |
Nbr | Holes | Dia. (C) |
|---|---|---|---|---|---|---|---|---|
| 1/2" | 95 | 14.3 | 38 | 22.9 | 22 | 4 | 15.87 | 66.7 |
| 3/4" | 115 | 15.9 | 48 | 28.2 | 25 | 4 | 19.05 | 82.6 |
| 1" | 125 | 17.5 | 54 | 34.9 | 27 | 4 | 19.05 | 88.9 |
| 1 1/4" | 135 | 19.1 | 64 | 43.7 | 27 | 4 | 19.05 | 98.4 |
| 1 1/2" | 155 | 20.7 | 70 | 50.0 | 30 | 4 | 22.22 | 114.3 |
| 2" | 165 | 22.3 | 84 | 62.5 | 33 | 8 | 19.05 | 127.0 |
| 2 1/2" | 190 | 25.4 | 100 | 75.4 | 38 | 8 | 22.22 | 149.2 |
| 3" | 210 | 28.6 | 117 | 91.4 | 43 | 8 | 22.22 | 168.3 |
| 3 1/2" | 230 | 30.2 | 133 | 104.1 | 44 | 8 | 22.22 | 184.2 |
| 4" | 255 | 31.8 | 146 | 116.8 | 48 | 8 | 22.22 | 200.0 |
| 5" | 280 | 35.0 | 178 | 144.4 | 51 | 8 | 22.22 | 235.0 |
| 6" | 320 | 36.6 | 206 | 171.4 | 52 | 12 | 22.22 | 269.9 |
| 8" | 380 | 41.3 | 260 | 222.2 | 62 | 12 | 25.40 | 330.2 |
| 10" | 445 | 47.7 | 321 | 277.4 | 95 | 16 | 28.57 | 387.4 |
| 12" | 520 | 50.8 | 375 | 328.2 | 102 | 16 | 31.75 | 450.8 |
| 14" | 585 | 54.0 | 425 | 360.2 | 111 | 20 | 31.75 | 514.4 |
| 16" | 650 | 57.2 | 483 | 411.2 | 121 | 20 | 34.29 | 571.5 |
| 18" | 710 | 60.4 | 533 | 462.3 | 130 | 24 | 34.29 | 628.6 |
| 20" | 775 | 63.5 | 587 | 514.4 | 140 | 24 | 34.29 | 685.8 |
| 24" | 915 | 69.9 | 702 | 616.0 | 152 | 24 | 41.27 | 812.8 |
The dimensions are in millimeters
Source : ASME B16.5
| Nominal Bore | Dia. (D) |
Thick. (E) |
Dia. (B) |
Dia. (A) |
Height (H) |
Nbr | Holes | Dia. (C) |
|---|---|---|---|---|---|---|---|---|
| 1/2" | 95 | 14.3 | 38 | 23.6 | 22 | 4 | 15.87 | 66.7 |
| 3/4" | 115 | 15.9 | 48 | 29.0 | 25 | 4 | 19.05 | 82.6 |
| 1" | 125 | 17.5 | 54 | 35.8 | 27 | 4 | 19.05 | 88.9 |
| 1 1/4" | 135 | 20.7 | 64 | 44.4 | 29 | 4 | 19.05 | 98.4 |
| 1 1/2" | 155 | 22.3 | 70 | 50.6 | 32 | 4 | 22.22 | 114.3 |
| 2" | 165 | 25.4 | 84 | 63.5 | 37 | 8 | 19.05 | 127.0 |
| 2 1/2" | 190 | 28.6 | 100 | 76.2 | 41 | 8 | 22.22 | 149.2 |
| 3" | 210 | 31.8 | 117 | 92.2 | 46 | 8 | 22.22 | 168.3 |
| 3 1/2" | 230 | 35.0 | 133 | 104.9 | 49 | 8 | 25.40 | 184.2 |
| 4" | 275 | 38.1 | 152 | 117.6 | 54 | 8 | 25.40 | 215.9 |
| 5" | 330 | 44.5 | 189 | 144.4 | 60 | 8 | 28.57 | 266.7 |
| 6" | 355 | 47.7 | 222 | 171.4 | 67 | 12 | 28.57 | 292.1 |
| 8" | 420 | 55.6 | 273 | 222.2 | 76 | 12 | 31.75 | 349.2 |
| 10" | 510 | 63.5 | 343 | 276.2 | 111 | 16 | 34.92 | 431.8 |
| 12" | 560 | 66.7 | 400 | 328.6 | 117 | 20 | 34.92 | 489.0 |
| 14" | 605 | 69.9 | 432 | 360.4 | 127 | 20 | 38.10 | 527.0 |
| 16" | 685 | 76.2 | 495 | 411.2 | 140 | 20 | 41.27 | 603.2 |
| 18" | 745 | 82.6 | 546 | 462.0 | 152 | 20 | 44.45 | 6654.0 |
| 20" | 815 | 88.9 | 610 | 512.8 | 165 | 24 | 44.45 | 723.9 |
| 24" | 940 | 101.6 | 718 | 614.4 | 184 | 24 | 50.80 | 838.2 |
Standard Specification For Lap Joint Flanges
Dimensions : ANSI B16.5, ANSI B16.47 Series A & B, MSS SP44, ASA, API-605, AWWA, Custom Drawings
Size : 1/2" (15 NB) to 48" (1200NB)
Class : 150 LBS, 300 LBS, 600 LBS, 900 LBS, 1500 LBS, 2500 LBS, DIN Standard ND-6,10, 16, 25, 40 Etc.
DIN : DIN2527, DIN2566, DIN2573, DIN2576, DIN2641, DIN2642, DIN2655, DIN2656, DIN2627, DIN2628, DIN2629, DIN 2631, DIN2632, DIN2633, DIN2634, DIN2635, DIN2636,DIN2637, DIN2638, DIN2673
BS : BS4504 , BS4504, BS1560, BS10
Flange Face Type : Flate Face (FF), Raised Face (RF), Ring Type Joint (RTJ)
Material & Grades of Lap Joint Flanges :
Stainless Steel Lap Joint Flanges :
ASTM A 182, A 240 F 304, 304L, 304H, 316, 316L, 316Ti, 310, 310S, 321, 321H, 317, 347, 347H, 904L
Duplex & Super Duplex Steel Lap Joint Flanges :
ASTM / ASME A/SA 182 F 44, F 45, F51, F 53, F 55, F 60, F 61
Carbon Steel Lap Joint Flanges :
ASTM / ASME A/SA 105 ASTM / ASME A 350 , ASTM A 181 LF 2 / A516 Gr.70 A36, A694 F42, F46, F52, F60, F65, F706
Low Temperature Carbon Steel Lap Joint Flanges : ASTM A350, LF2, LF3
Alloy Steel Lap Joint Flanges :
ASTM / ASME A/SA 182 & A 387 F1, F5, F9, F11, F12, F22, F91
Copper Alloy Steel Lap Joint Flanges : ASTM SB 61 , SB62 , SB151 , SB152 UNS No. C 70600 (Cu-Ni 90/10), C 71500 (Cu-Ni 70/30), UNS No. C 10100, 10200, 10300, 10800, 12000, 12200
Nickel Alloy Lap Joint Flanges :
ASTM SB564, SB160, SB472, SB162 Nickel 200 (UNS No. N02200), Nickel 201 (UNS No. N02201), Monel 400 (UNS No. N04400), Monel 500 (UNS No. N05500), Inconel 800 (UNS No. N08800), Inconel 825 (UNS No. N08825), Inconel 600 (UNS No. N06600), Inconel 625 (UNS No. N06625), Inconel 601 (UNS No. N06601), Hastelloy C 276 (UNS No. N10276), Alloy 20 (UNS No. N08020)
ASME B16.5 Lap Joint Flanges Available Types
| Lap Joint Flange | Lapped Joint Flanges |
| ANSI B16.5 Lap Joint Flanges | Lap Joint Flange Dimensions |
| ASME B16.5 Lapped Joint Flanges | ANSI B16.5 Class 150 Lap Joint Flanges |
| Stainless Steel Lap Joint Flanges Suppliers | SS Lap Joint Flange |
| Lapped Joint Plate Flanges Dealer | ASME B16.47 Series A and B Lap Joint Flanges Exporter |
| ANSI B16.5 class 150 Lap Joint Flange Stockholder | ANSI 150 Lap Joint Flange Distributors |
| Carbon Steel Lap Joint Flange | High Quality Lap Joint Flanges Manufacturer |
| ASTM A182 Stainless Steel Lap Joint Flange | Duplex Steel Lapped Joint Flange |
| Super Duplex Steel Lap Joint Forged Flange | Copper Nickel Lap Joint Pipe Flanges |
| High Nickel Alloy Lapped Joint Flanges | Hastelloy Flat Faced Lap Joint Flanges Stockist |
| Titanium ASME B16.47 Series A and B Lap Joint Flanges | Inconel Lap Joint Flanges |
ANSI B16.5 Lap Joint Flange Application
- Industrial Boilers
- Power Plants
- Nuclear Plants
- Oil & Gas Industry
- Refineries
- Ship Building
- Heat Exchangers
- Condensers
- Paper & Pulp
- Marine Applications
- Nuclear Power
- Fossil Fuel Power Plants
| Best Offer on Below Stock | ||||
|
|
|
||
